PCB Prototype the Easy Way
Full feature custom PCB prototype service.
9:00 - 18:00, Mon.- Fri. (GMT+8)
9:00 - 12:00, Sat. (GMT+8)
(Except Chinese public holidays)
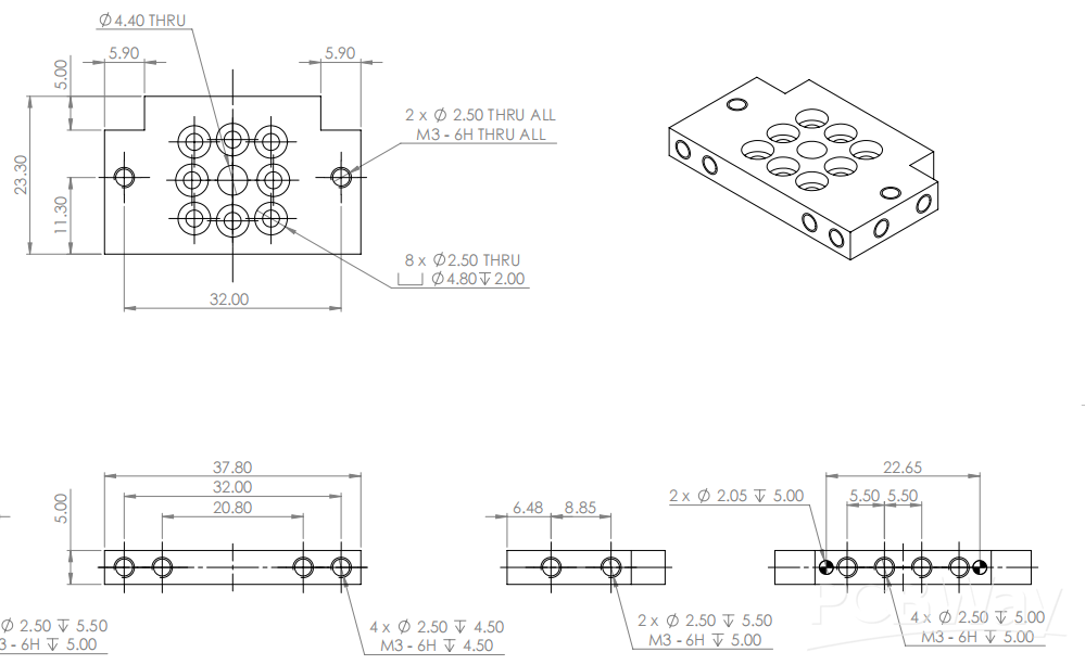
Example:
In the customer's 2D technical drawings, the labeling of holes and threads is often based on assumptions rather than adhering to conventional design standards. This results in many threaded holes not meeting the customer's required specifications. In picture, you can see that the customer specified a threaded hole depth of 5mm, with the effective depth also labeled as 5mm. However, the 3D model shows these holes as pointed drill holes, which is impractical. Since drill bits are pointed, achieving the same effective depth and thread depth is not possible. Even for a flat bottom hole with an M3 thread depth of 5mm, the bottom hole would need to be at least 7-8mm deep to be effective.
When we encounter such discrepancies, we need to inform and explain the limitations to the customer. If the customer insists on meeting the exact requirements specified in the drawings, we may need to resort to special custom orders, such as using a specialized tool thread tap.
It is essential to consider the actual machining capabilities during the design phase. We must ensure that designs are practical and feasible for manufacturing. Of course, we will review and verify these details with the customer during the audit process to ensure all specifications are realistic and achievable.

